欢迎访问泰州市三联换热设备厂官方网站!推荐产品:板式换热器、列管式冷却器、风冷却器、板式冷却器、油冷却器、冷却器。

24小时咨询热线

13814482667

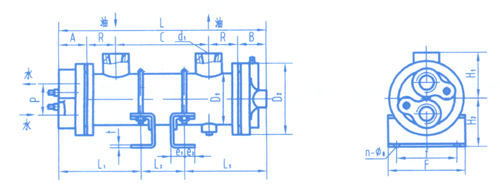
4LQF3W 型冷却器

您所在的位置: 网站首页 >产品展示 >LQ 系列冷却器

4LQF3W 型冷却器

 浏览次数:

 

型号
换热
面积m2
L
L1
C
R
D1
H1
d1
l1
l2
l3
H2
F
f
e1
e2
t
n-ф
D2
p
d2
A
B
10/0.2
0.2
347
270
180
45
 
 
 
 
76
60
 
 
ZG1′′
 
 
 
 
120
105
 
 
122
70
 
 
 
 
102
 
 
80
15
 
 
15
 
 
3
 
 
 
 
4-ф
110
 
 
 
 
52
 
 
ZG
(3′′/4)
 
 
40
37
 
 
10/0.4
0.4
527
450
360
285
10/0.5
0.5
757
680
590
515
10/1.0
1.0
444
340
240
 
 
 
 
50
 
114
 
85
 
 
 
 
ZG1
(1′′/4)
140
 
 
 
 
160
 
 
 
 
142
 
90
148
 
 
 
 
 
 
 
 
120
 
20
 
20
 
3
4-ф12
 
 
 
 
147
 
 
 
 
76
 
 
 
 
ZG1′′
 
 
 
 
 
 
 
 
52
 
52
10/1.25
1.25
554
450
350
270
10/1.4
1.4
634
530
430
350
10/1.8
1.8
784
680
590
500
10/2.24
2.24
954
850
750
670
10/1.25
2.0
587
450
340
55
 
 
 
 
140
 
95
 
 
 
 
ZG1
(1′′/2)
 
 
 
 
 
 
175
250
162
 
 
 
 
145
 
180
 
140
 
24
 
16
 
5
 
 
 
4-ф15
194
 
 
 
 
100
 
 
 
ZG1′′
 
 
 
72
 
85
10/1.4
3.0
817
680
570
480
10/1.8
3.75
987
850
740
650
10/2.24
4.25
1107
970
860
770

 

微信

联系地址:泰州市姜堰区娄庄镇洪林村

联系人:尤俊生  电话:0523-88608215  传真号码:0523-88608690

手机号码:13814482667  邮箱:jsllqq@163.com

Copyright 泰州市三联换热设备厂 All Rights Reserved 版权
广告词说明:本网站介绍上显示的广告法规定集线(错别字是为避免广告法排查工具误导)词,只在本网站范围内对比,且仅作为产品内容介绍使用,非广告宣传用语!
*本站相关网页素材及相关资源部分来源互联网,如有侵权请速告知,我们将在24小时内删除* 【免责声明】
备案号:苏ICP备12056248号-1